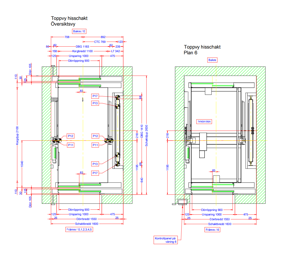
Hissmått

Nedan bild visar måtten på hissen i huset.

Viktiga mått: 

  • Dörröppning 900 mm
  • Korgbredd 1100 mm
  • Korgdjup 2100 mm